Sbc Intake Manifold Torque Pattern . It is advisable to periodically (every six months or 6000 miles) recheck the torque on the manifold bolts to.  intake manifold bolt torque sequence for the small block chevy (sbc).  the following specs apply to:   intake manifold bolts and head studs/bolts have to be torqued in a certain pattern and to a certain torque spec in order. This is for 283, 302, 307, 327, 350 and 400 engines.   when working on your small block chevrolet (sbc) engine, getting the intake manifold torque specifications right is.
        
         
         
        from www.fixya.com 
     
        
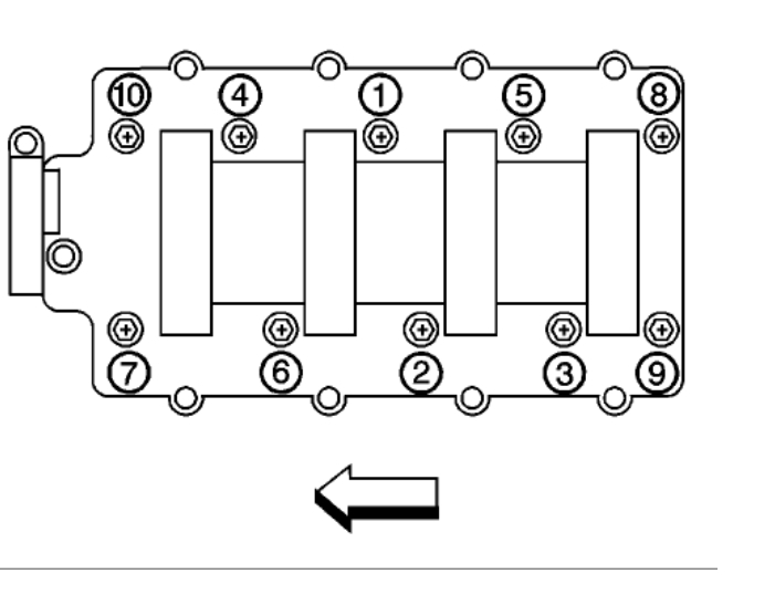
          when working on your small block chevrolet (sbc) engine, getting the intake manifold torque specifications right is. This is for 283, 302, 307, 327, 350 and 400 engines. It is advisable to periodically (every six months or 6000 miles) recheck the torque on the manifold bolts to.  the following specs apply to:  intake manifold bolt torque sequence for the small block chevy (sbc).   intake manifold bolts and head studs/bolts have to be torqued in a certain pattern and to a certain torque spec in order.
    
    	
            
	
		 
	 
         
    Intake manifold torq spec and sequence for a 2001 4.3 s10 Fixya 
    Sbc Intake Manifold Torque Pattern   intake manifold bolt torque sequence for the small block chevy (sbc).   when working on your small block chevrolet (sbc) engine, getting the intake manifold torque specifications right is.  the following specs apply to: This is for 283, 302, 307, 327, 350 and 400 engines.   intake manifold bolts and head studs/bolts have to be torqued in a certain pattern and to a certain torque spec in order. It is advisable to periodically (every six months or 6000 miles) recheck the torque on the manifold bolts to.  intake manifold bolt torque sequence for the small block chevy (sbc).
            
	
		 
	 
         
 
    
         
        From bryansgarage.com 
                    Exhaust Manifold Torque Specs Answer From Expert Sbc Intake Manifold Torque Pattern  It is advisable to periodically (every six months or 6000 miles) recheck the torque on the manifold bolts to. This is for 283, 302, 307, 327, 350 and 400 engines.   intake manifold bolts and head studs/bolts have to be torqued in a certain pattern and to a certain torque spec in order.  the following specs apply to: . Sbc Intake Manifold Torque Pattern.
     
    
         
        From www.2carpros.com 
                    Intake and Exhaust Manifold Torque Sequence Diagrams Sbc Intake Manifold Torque Pattern  It is advisable to periodically (every six months or 6000 miles) recheck the torque on the manifold bolts to.   when working on your small block chevrolet (sbc) engine, getting the intake manifold torque specifications right is.   intake manifold bolts and head studs/bolts have to be torqued in a certain pattern and to a certain torque spec in order.. Sbc Intake Manifold Torque Pattern.
     
    
         
        From exopxfwzz.blob.core.windows.net 
                    How To Torque Main Caps Sbc at Charles Wathen blog Sbc Intake Manifold Torque Pattern  It is advisable to periodically (every six months or 6000 miles) recheck the torque on the manifold bolts to.   when working on your small block chevrolet (sbc) engine, getting the intake manifold torque specifications right is.   intake manifold bolts and head studs/bolts have to be torqued in a certain pattern and to a certain torque spec in order.. Sbc Intake Manifold Torque Pattern.
     
    
         
        From www.racingjunk.com 
                    Torque Specs and Bolt Patterns for Small Block Engines RacingJunk News Sbc Intake Manifold Torque Pattern   intake manifold bolt torque sequence for the small block chevy (sbc). This is for 283, 302, 307, 327, 350 and 400 engines.  the following specs apply to: It is advisable to periodically (every six months or 6000 miles) recheck the torque on the manifold bolts to.   intake manifold bolts and head studs/bolts have to be torqued in. Sbc Intake Manifold Torque Pattern.
     
    
         
        From circuitgallarnirm0.z19.web.core.windows.net 
                    Sbc Fabricated Intake Manifold Sbc Intake Manifold Torque Pattern   the following specs apply to:   intake manifold bolts and head studs/bolts have to be torqued in a certain pattern and to a certain torque spec in order.  intake manifold bolt torque sequence for the small block chevy (sbc). This is for 283, 302, 307, 327, 350 and 400 engines.   when working on your small block chevrolet. Sbc Intake Manifold Torque Pattern.
     
    
         
        From exoxycvwn.blob.core.windows.net 
                    Sbc Intake Manifold Differences at Robert Denis blog Sbc Intake Manifold Torque Pattern  This is for 283, 302, 307, 327, 350 and 400 engines.   intake manifold bolts and head studs/bolts have to be torqued in a certain pattern and to a certain torque spec in order.  intake manifold bolt torque sequence for the small block chevy (sbc).   when working on your small block chevrolet (sbc) engine, getting the intake manifold. Sbc Intake Manifold Torque Pattern.
     
    
         
        From www.bartonekdragracing.com 
                    SBC Edelbrock Performer intake to Victor Jr intake upgrade Bartonek Sbc Intake Manifold Torque Pattern    when working on your small block chevrolet (sbc) engine, getting the intake manifold torque specifications right is.  intake manifold bolt torque sequence for the small block chevy (sbc). This is for 283, 302, 307, 327, 350 and 400 engines. It is advisable to periodically (every six months or 6000 miles) recheck the torque on the manifold bolts to.. Sbc Intake Manifold Torque Pattern.
     
    
         
        From www.diyford.com 
                    Ford SmallBlock Rebuild Torque Specs, Sequences, and Alignment Sbc Intake Manifold Torque Pattern    when working on your small block chevrolet (sbc) engine, getting the intake manifold torque specifications right is.   intake manifold bolts and head studs/bolts have to be torqued in a certain pattern and to a certain torque spec in order.  the following specs apply to: It is advisable to periodically (every six months or 6000 miles) recheck the. Sbc Intake Manifold Torque Pattern.
     
    
         
        From www.pinterest.com 
                    SBC Firing Order and Torque Specs Chevy 350 engine, Car maintenance Sbc Intake Manifold Torque Pattern   intake manifold bolt torque sequence for the small block chevy (sbc). This is for 283, 302, 307, 327, 350 and 400 engines.  the following specs apply to:   when working on your small block chevrolet (sbc) engine, getting the intake manifold torque specifications right is. It is advisable to periodically (every six months or 6000 miles) recheck the. Sbc Intake Manifold Torque Pattern.
     
    
         
        From automotorpad.com 
                    Small block ford intake manifold torque Sbc Intake Manifold Torque Pattern  It is advisable to periodically (every six months or 6000 miles) recheck the torque on the manifold bolts to.  intake manifold bolt torque sequence for the small block chevy (sbc). This is for 283, 302, 307, 327, 350 and 400 engines.   when working on your small block chevrolet (sbc) engine, getting the intake manifold torque specifications right is.. Sbc Intake Manifold Torque Pattern.
     
    
         
        From contabilidadecidada.com.br 
                    Sbc Intake Manifold Torque Sequence Sbc Intake Manifold Torque Pattern   the following specs apply to:  intake manifold bolt torque sequence for the small block chevy (sbc).   when working on your small block chevrolet (sbc) engine, getting the intake manifold torque specifications right is. This is for 283, 302, 307, 327, 350 and 400 engines. It is advisable to periodically (every six months or 6000 miles) recheck the. Sbc Intake Manifold Torque Pattern.
     
    
         
        From automotorpad.com 
                    Small block ford intake manifold torque aluminum heads Sbc Intake Manifold Torque Pattern    intake manifold bolts and head studs/bolts have to be torqued in a certain pattern and to a certain torque spec in order.  intake manifold bolt torque sequence for the small block chevy (sbc).   when working on your small block chevrolet (sbc) engine, getting the intake manifold torque specifications right is. It is advisable to periodically (every six. Sbc Intake Manifold Torque Pattern.
     
    
         
        From schematicglymlinauw4.z22.web.core.windows.net 
                    Sbc Arp Main Bolt Torque Sbc Intake Manifold Torque Pattern   the following specs apply to:   intake manifold bolts and head studs/bolts have to be torqued in a certain pattern and to a certain torque spec in order.  intake manifold bolt torque sequence for the small block chevy (sbc).   when working on your small block chevrolet (sbc) engine, getting the intake manifold torque specifications right is. It. Sbc Intake Manifold Torque Pattern.
     
    
         
        From www.justanswer.com 
                    Intake Manifold Torque Specs GM 3.4, Toyota 3.4, GM 3.6, Toyota 3.0 Sbc Intake Manifold Torque Pattern   the following specs apply to: This is for 283, 302, 307, 327, 350 and 400 engines.  intake manifold bolt torque sequence for the small block chevy (sbc). It is advisable to periodically (every six months or 6000 miles) recheck the torque on the manifold bolts to.   intake manifold bolts and head studs/bolts have to be torqued in. Sbc Intake Manifold Torque Pattern.
     
    
         
        From www.enginekits.com 
                    Chevy SBC 350 Eliminator Vortec Intake Manifold Satin Intake Manifolds Sbc Intake Manifold Torque Pattern  It is advisable to periodically (every six months or 6000 miles) recheck the torque on the manifold bolts to.  the following specs apply to:  intake manifold bolt torque sequence for the small block chevy (sbc).   intake manifold bolts and head studs/bolts have to be torqued in a certain pattern and to a certain torque spec in order.. Sbc Intake Manifold Torque Pattern.
     
    
         
        From wiredatarostaratza2.z22.web.core.windows.net 
                    Sbc Efi Intake Manifold Sbc Intake Manifold Torque Pattern  This is for 283, 302, 307, 327, 350 and 400 engines.   intake manifold bolts and head studs/bolts have to be torqued in a certain pattern and to a certain torque spec in order.  the following specs apply to:   when working on your small block chevrolet (sbc) engine, getting the intake manifold torque specifications right is. It is. Sbc Intake Manifold Torque Pattern.
     
    
         
        From www.autozone.com 
                     Repair Guides Engine Mechanical Intake Manifold Sbc Intake Manifold Torque Pattern    when working on your small block chevrolet (sbc) engine, getting the intake manifold torque specifications right is. This is for 283, 302, 307, 327, 350 and 400 engines. It is advisable to periodically (every six months or 6000 miles) recheck the torque on the manifold bolts to.  intake manifold bolt torque sequence for the small block chevy (sbc).. Sbc Intake Manifold Torque Pattern.
     
    
         
        From treperformance.com 
                    Trick Flow RSeries Intake Manifold for SBC w/ Holley 4150 Pattern Sbc Intake Manifold Torque Pattern   the following specs apply to:   intake manifold bolts and head studs/bolts have to be torqued in a certain pattern and to a certain torque spec in order.  intake manifold bolt torque sequence for the small block chevy (sbc). It is advisable to periodically (every six months or 6000 miles) recheck the torque on the manifold bolts to.. Sbc Intake Manifold Torque Pattern.